Introduction
Ferromagnetism is a form of magnetism where materials exhibit permanent magnetization and strong attraction to external magnetic fields, being the strongest type compared to paramagnetism, diamagnetism, and antiferromagnetism. These materials possess magnetic hysteresis, meaning they retain magnetic alignment even after the external magnetic field is removed, with the level of retained magnetization known as remanence. To reverse this magnetization, an opposing external magnetic field, measured by its coercivity, must be applied. This characteristic allows classification into hard magnets, with high coercivity and wide hysteresis loops, and soft magnets, with low coercivity and narrow loops.
Moreover, ferromagnetic materials are key in creating devices that leverage magnetic properties, such as exchange anisotropy, where a magnetic anisotropy occurs upon cooling a ferromagnetic and an antiferromagnetic material in contact through the Néel temperature in an external field, pivotal in magnetic recording technologies.
The discovery of ferromagnetism in the MnAl system by Hindricks in 1908 and its detailed phase analysis by Hiroshi Kono in 1958 highlighted its unique τ phase, which is ferromagnetic at a specific temperature range and composition, showcasing the material’s significance in both historical and modern technological contexts.
Objective
The objective of the experiment is to grow MnAl ferromagnetic thin film samples on a silicon substrate using DC magnetron sputtering and to investigate the effects of annealing on their magnetic properties through SQUID magnetometry. Additionally, the study aims to examine the concentration of Mn and Al in the samples using Scanning Electron Microscopy (SEM) and to explore magnetic anisotropy in a Mn-MnAl thin film heterostructure also grown on silicon substrates.
Method
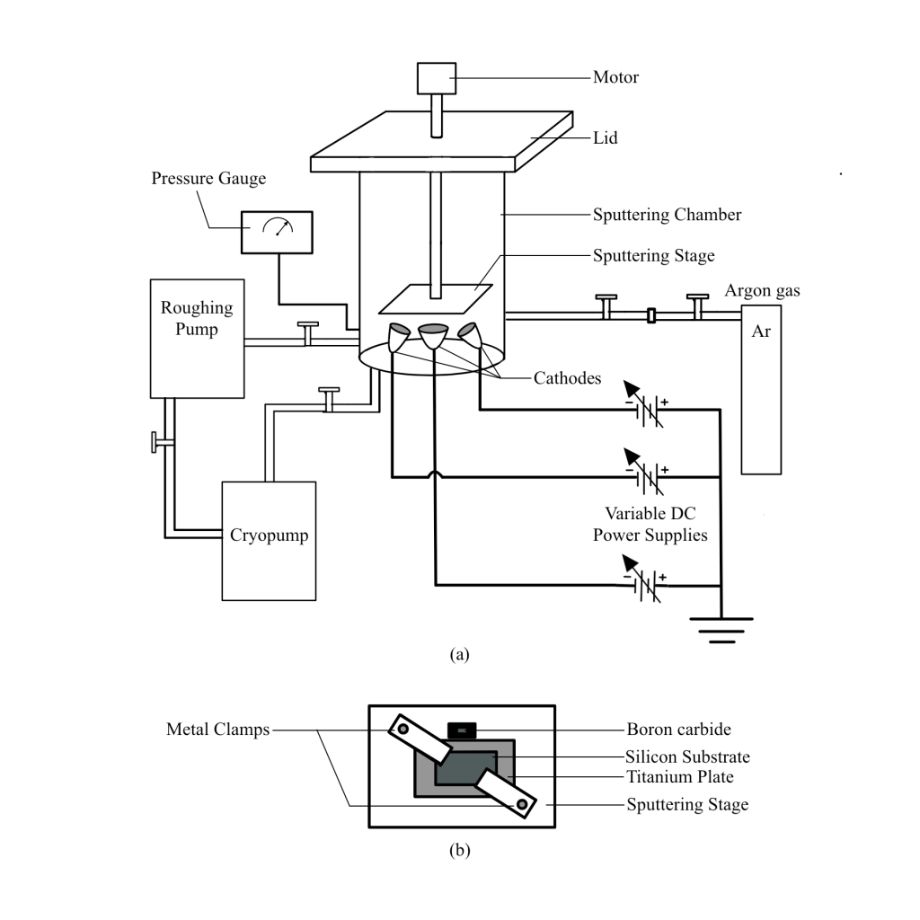
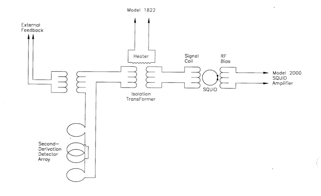
The method for creating MnAl thin films involved depositing the material on silicon substrates using a DC magnetron sputtering system (shown in Fig. 1), with meticulous attention to deposition parameters for optimal thickness and composition. After deposition, the films were annealed (shown in Fig. 2) at various temperatures to enhance their microstructure and magnetic properties, a process carefully monitored with a Superconducting Quantum Interference Device (SQUID) magnetometer (shown in Fig. 3) to measure changes in magnetism. The composition and structure of the films were analyzed using scanning electron microscopy (SEM) equipped with energy-dispersive X-ray spectroscopy (EDS), providing detailed insights into the elemental makeup and structural integrity. Additionally, the impact of annealing on the magnetic orientation and properties of Mn-MnAl thin film heterostructures was examined, highlighting the critical role of thermal treatment in defining their magnetic anisotropy.



Results
The following are the results of the experiment. Three samples were prepared, samples 031122, 031722, and 041222. Sample 031122 was MnAl but not in its ferromagnetic tau-phase, 031722 was a heterostructure sample of Mn-MnAl, and 041222 was a sample of tau-phase ferromagnetic MnAl.
As seen in Fig. 4, the magnetic hysteresis curves display ferromagnetic behavior in sample 041222 (tau-phase), annealed at various temperatures.
Fig. 5 shows that the peak saturation magnetization is predicted to occur when the tau-phase MnAl sample is annealed at 400 ℃.
Fig. 6 shows that sample 031722 (Mn-MnAl heterostructure) does not display exchange bias. This is because the MnAl layer is not ferromagnetic (not tau-phase). Fig. 7 further shows the elemental analysis of the heterostructure sample.




Discussion
All three samples were grown using DC sputtering. Sample 031122 was grown using power values obtained from a previously grown sample of MnAlGe (assuming that Ge and Al have the same sputtering rate).
Elemental analysis of 031122 by EDS showed that the ratio of Mn to Al was approximately 61:39 (not tau-phase). As shown in Fig. 8, only tau-phase Mn-Al is ferromagnetic.
Using the same power values, sample 031722 was synthesized (Mn-MnAl heterostructure). This sample had the MnAl layer in approximately 64:36 ratio (again not tau-phase). The additional Mn layer on top made the total effective Mn:Al ratio approximately 83:17. This did not show exchange bias since the MnAl was not ferromagnetic.
Finally, the sample 041222 was grown in the tau-phase (Mn:Al is 55:45). The sample was ferromagnetic.
Further growth of the Mn layer over the ferromagnetic MnAl was performed. However, exchange bias was not observed. This was assumed to be due to the diffusion of Mn layer with the MnAl layer resulting in very less antiferromagnetic Mn on top of the ferromagnetic MnAl.

Conclusion
In this experiment, magnetic heterostructures were synthesized using DC magnetron sputtering to analyze the effect of annealing on magnetization and observe exchange bias.
Click here to access my lab report for this project.
Photo Gallery





One thought on “Magnetic heterostructures and exchange anisotropy”